-
Multiverpakkingsmachine
-
De Compressor van de schroeflucht
-
De Machine van de Vffsverpakking
-
De vacuümmachine van de Verbindingsverpakking
-
De golfmachine van de Doosverpakking
-
de machine van de theezakjeverpakking
-
automatische kartonnerende machine
-
Aseptische kartonnen vulmachine
-
De Machine van robotpalletizer
-
Kop het Vullen Verzegelende Machine
-
De directe Compressor van de Aandrijvingslucht
-
Vergeldende Zuigercompressor
-
de luchtcompressor van de olie vrije schroef
-
De Luchtcompressor van de olie Vrije Zuiger
-
Het hoofd van de luchtcompressor
-
Benzine Draagbare Generator
-
de vervangstukken van de luchtcompressor
-
Volledige verpakkingsmachine
Automatische Kinder Joy Eieren Gele Ultrasone Blister verpakkingsmachine Elektrische pompen Luchtpomp
Contacteer me voor vrije steekproeven en coupons.
whatsapp:0086 18588475571
wechat: 0086 18588475571
Skype: sales10@aixton.com
Als u om het even welke zorg hebt, verstrekken wij de online-Help van 24 uur.
x| Markeren | Jelly Ultrasonic Blister Packing Machine,De automatische Machine van de Blaarverpakking,Elektrische pompen Blister Packing Machine |
||
|---|---|---|---|
Invoering van de machine
![]()
Deze machine is speciaal ontworpen voor het vormgeven van kleurrijke bedrukte plastic platen (dubbele PH-sensor voor het volgen), het vullen, afdichten en snijden in halve eieren of andere vormen.Het wordt veel gebruikt voor het verpakken van chocoladepastaDe productverpakking (zoals kinder joy egg, 3D cartoonfiguren, verrassing cartoon auto's) ziet er nieuw en mooi uit.uitstekende 3D-uitstralingHet is een van de beste verpakkingsmachines voor high-class snoepwaren, dagelijks gebruik chemische, speelgoed fabrikanten.
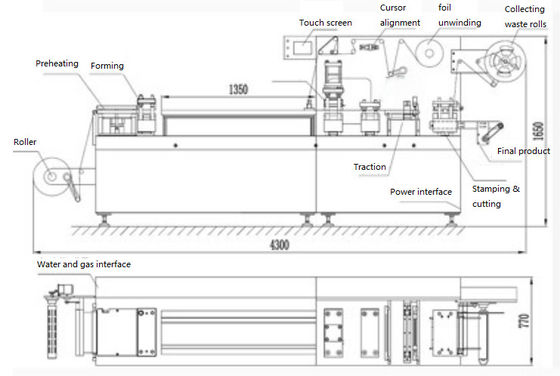
Technische parameters1
![]()
Stansfrequentie: 20-30 keer per minuut
Maximaal vormgebied en -diepte: lengte 170 * breedte 320 * diepte 26 mm
Blistermateriaal: PVC- of PET-materiaal
dikte van het materiaal: 25-65verwarring
Rol doorsnede: blister doorsnede 32 cm, film doorsnede 35 cm
Standaard bereik: 40 mm-140 mm
Totale stroomtoevoer: 380V/50Hz, 8,2 kW
Gecomprimeerde luchtdruk: 0,6-0,8 MPa
Verbruik van gecomprimeerde lucht: > 0,3 m3/min
Koelmethode: koelcyclus of waterkoeling
Ruisindex: < 65 dB
Buitenafmetingen: breedte 4300xdiepte 720xhoogte 1750mm
Gewicht: 1400 kg
Productieproces: vormgeven, snijden, hitteverzegeling, punchsen en het transport van het eindproduct
Productkenmerken: secundair gieten, cursorfoutcompensatie, servo-tractie
Technische parameters2
![]()
Machinemodel: CH-320 type (uitgebreid)
Aard van de machine: Productie op maat van het product
Bouwperiode: 25 werkdagen
Laadmethode: handmatig voeden
PET-dikte: 35-70 vezels
Cursorcompensatie: met cursor tolerance compensatie functie vermindert het het schrootpercentage
Servo-tractie: Panasonic motor
PLC-programmering: Siemens
Loodschroef: Japanse loodschroef
Encoder: Panasonic Encoder
Touchscreen: Siemens
Kapaciteitsvereiste: 26 keer per minuut snijden
Vormingsmethode: bovenblowing en onderzuigmateriaal
Vaste methode: opblaaswiel (2 stuks)
Alle machines cOudzijngeproduceerdvolgens de persoonlijke eisen van de klant

